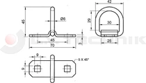
Rögzítő fül 25x70


- ISO 27956 előírásainak megfelel
Szabályok, előírások
Közúti járművekben - típustól függően - különböző szabványok, előírások rendelkeznek a használható rögzítőpontokról. A beépített rögzítőpontok teherbírására vonatkozó szabályokat az alábbi táblázat tartalmazza.
| járműtípus, szabályzat | össztömeg (t) | min. rögzítőpont teherbírás (LC) | kiegészítés |
|---|---|---|---|
| személyautó ISO 27955 |
- | 350 daN | |
| zárt furgon ISO 27956 |
2.5 tonnáig | 300 daN - 400daN | Fp/2 képlet alapján* |
| 2.5 - 5 tonna között | 350 daN - 500 daN | Fp/3 képlet alapján* | |
| 5 - 7.5 tonna között | 350 daN - 800 daN | Fp/4 képlet alapján* | |
| platós teherjármű, utánfutóDIN 75410-1 | 3.5 tonnáig | 400 daN | |
| platós teherjármű, pótkocsi EN 12640 |
3.5 - 7.5 tonna között | 800 daN | |
| 7.5 - 12 tonna között | 1000 daN | ||
| 12 tonna felett | 2000 daN | ||
| 3.5 tonna felett | 1000 daN | raktér első falába épített rögzítőpont | |
| *: Fp a jármű hasznos teherbírása daN-ban megadva; a beépíthető rögzítőpontok minimális teherbírását a feltüntetett képlet határozza meg | |||
Ezen felül figyelembe kell venni a lekötéshez használt rakományrögzítő eszköz teherbírását (spanifer, lánc stb...), és ha szükséges, akkor az alábbi táblázat szerint megemelt teherbírású rögzítőpontokat kell beépíteni.
| rögzítő eszköz | rögzítőpont teherbírása |
|---|---|
| spanifer LC 2000 daN értékkel | 2000 daN |
| spanifer LC 2500 daN értékkel | 2500 daN |
| 8mm vastag rögzítő lánc | 3000 daN |
| 10mm vastag rögzítő lánc | 5000 daN |
A teherbírás mellett méretbeli megkötéseket is figyelembe kell venni, mivel csak így garantálható, hogy a spaniferekre szerelt horog beakasztható a rögzítőgyűrűbe.
| d1 (mm) | össztömeg (t) |
|---|---|
| 40 vagy 25x40mm | EN 12640, DIN 75410-1 |
| 35 | 5 - 7.5 tonna között ISO 27956 |
| 25 | 2.5 - 5 tonna között ISO 27956 |
| 20 | 2.5 tonnáig ISO 27956 |
Rögzítőpontok elhelyezése furgonok esetén (ISO 27956)

- A rögzítőpontokat a rakfelületre és/vagy az oldalfalakra kell elhelyezni, nem magasabban, mint 150mm.
- Az oldalaktól való távolság a lehető legkisebb legyen, de semmi esetre sem haladhatja meg a 150mm-t.
- A rögzítőpontokat párban kell elhelyezni, egyenlően elosztva.
- A rakfelület első és hátsó részétől legfeljebb 250mm távolságra rögzítőpontot kell elhelyezni.
- Legfeljebb 1300mm hosszú rakfelülettel rendelkező jármű esetén legalább 4 db rögzítőpont használata szükséges (oldalanként 2 db).
- Legalább X darab rögzítőpont beépítése szükséges, ahol X-et az alábbi képlet alapján kapjuk. L a raktér hossza mm-ben.
| X = 1 + | L - (2 × 250mm) |
| 800mm |
- Az egy oldalon elhelyezkedő szomszédos rögzítőpontok közötti távolság optimális esetben nem lehet nagyobb 700mm-nél. Speciális esetben (pl. kerékjárati dobok) max. 1200mm megengedett.
Rögzítőpontok elhelyezése (EN 12640, DIN 75410-1)

- Legfeljebb 2200mm hosszú rakfelülettel rendelkező jármű esetén legalább 4 db rögzítőpont használata szükséges (oldalanként 2 db).
- 2200mm-nél hosszabb rakfelületű jármű esetén legalább 6 db rögzítőpont használata szükséges (oldalanként 3 db).
- Legalább X darab rögzítőpont beépítése szükséges, ahol X-et az alábbi képlet alapján kapjuk. P a legnagyobb hasznos terhelés daN-ban, LC pedig a rögzítőpont terhelhetősége szintén daN-ban.
| X = | 1,5 × P |
| LC |
- Az egy oldalon elhelyezkedő szomszédos rögzítőpontok közötti távolság nem lehet nagyobb 1200mm-nél. 3,5 tonna teherbírás felett kivételt képez a jármű hátsó tengelyei fölötti rész, ahol maximum 1500mm távolság még megengedett.
- A rakfelület első és hátsó részétől legfeljebb 500mm távolságra rögzítőpontot kell elhelyezni.
- Az oldalaktól való távolság a lehető legkisebb legyen, de semmi esetre sem haladhatja meg a 250mm-t.
3,5 tonna teherbírás felett a raktér első falát is legalább 2 rögzítőponttal kell ellátni az alábbi szabályok figyelembevételével.
- A rögzítőpontokat a jármű középvonalára szimmetrikusan kell elhelyezni.
- A rakfelülettől mért magasságuk 800-1200mm közé essen.
- Az oldalaktól való távolság a lehető legkisebb legyen, de semmi esetre sem haladhatja meg a 250mm-t.
Dőlésszög (β) és elforgatási szög (α)
A rögzítőpontnak az elhelyezkedésétől függően különböző irányban ugyanolyan terhelhetőséget kell biztosítania. A dőlésszög és az elforgatási szög előírás szerinti értékeit az alábbi ábrák tartalmazzák.


Teherbírás és tesztelés
A teherbírást próbaterheléssel és az azt követő tanúsítvány kiállításával igazolják. Az EN 12640 és az ISO 27956 alapján a rögzítő pontot a megengedhető húzóerő (LC) 125%-ával terhelik legalább 3 percig. A teszt sikeresnek bizonyul, ha ezt követően a rögzítő pont semmilyen deformáció vagy sérülés jelét nem mutatja.

