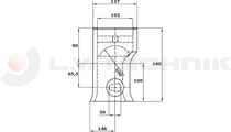
Tipper ball 100mm horizontal socket TIPO II
Code
3093200
Price
Please sign in


Material
steel
Weight
6,2 kg
Stock
Lajosmizse
in stock
Szigetszentmiklós
-
