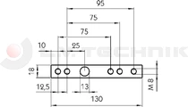
Steel sheet universal
Code
651114500
Price
Please sign in


Material
galvanized steel
Weight
0,11 kg
Stock
Lajosmizse
in stock
Szigetszentmiklós
in stock
