Cart is empty

Shackle Omega

Code
S1T11
Price
Please sign in
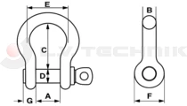
A (mm)
B (mm)
C (mm)
D (mm)
E (mm)
16,8
9,7
36,6
11,2
26,2
F (mm)
G (mm)
23
10
 
Stock
Lajosmizse
in stock
Szigetszentmiklós
in stock
Weight
0,14 kg
Similar products
© 1994-2026 - L.V.Technik Kft.
none