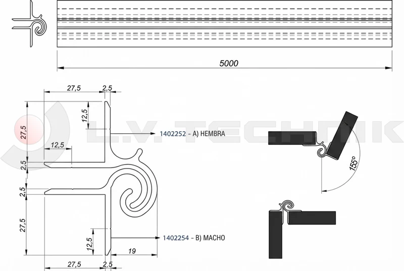
Spiral Profile Hinge 5m
Code
BP.1115
Price
Please sign in



Weight
3,15 kg
Stock
Lajosmizse
in stock
Szigetszentmiklós
-
