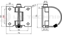
Oldható zsanér
Cikkszám
80326110
Ár
Jelentkezz be vagy regisztrálj és már mutatjuk is


kézzel oldható zsanér
Anyag
horganyzott acél
Súly
0,2 kg
Készlet
Lajosmizse
raktáron
Szigetszentmiklós
raktáron
