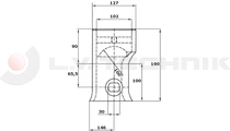
Csésze 100mm-es gömbhöz TIPO I
Cikkszám
3093100
Ár
Jelentkezz be vagy regisztrálj és már mutatjuk is


Anyag
acél
Súly
6,2 kg
Készlet
Lajosmizse
Rendelhető
Szigetszentmiklós
Rendelhető
