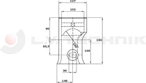
Csésze 100mm-es gömbhöz TIPO II
Cikkszám
3093200
Ár
Jelentkezz be vagy regisztrálj és már mutatjuk is


Anyag
acél
Súly
6,2 kg
Készlet
Lajosmizse
raktáron
Szigetszentmiklós
Rendelhető
