Vízszintes billenő gömb készlet 50mm
Cikkszám
1000233
Ár
Jelentkezz be vagy regisztrálj és már mutatjuk is








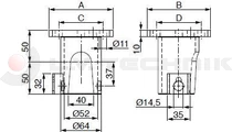
A készlet tartalma:
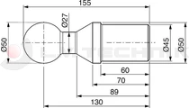
4db billenő gömb
4db csavarozható billenő csésze betéttel
2db csap
Névleges teherbírás: 2.000kg
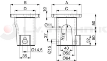
4db billenő gömb
4db csavarozható billenő csésze betéttel
2db csap
Névleges teherbírás: 2.000kg
Súly
13,3 kg
Készlet
Lajosmizse
Rendelhető
Szigetszentmiklós
Rendelhető
